
45 марка сталі: характеристики та застосування
Будь-яка марка сталі має свої особливі характеристики, склад та сферу використання. 45 марка сталі – не виключення. Вона – одна з найбільш поширених конструкційних сталей, яка має властивості міцності та оброблюваності і саме тому 45 марка сталі – матеріал, який використовують для різних галузей виробництва. Але головним є те, що саме цю марку сталі обирають у випадках, коли треба виготовити деталі, що витримують надвисокі навантаження.
45 марка сталі: головні характеристики
Такий вид сталі є вуглецевим та містить 0,45% вуглецю і зовсім невелику кількість марганцю, кремнію та інших домішок. Завдяки вуглецю 45 сталь є такою міцною, проте, водночас не дуже пластичною, що варто враховувати під час виготовлення деталей.
Висока міцність дозволяє сталі витримувати великі механічні навантаження, тож використовують її там, де необхідні деталі, які здатні працювати під великим навантаженням, але без надмірної складності при обробці. Незважаючи на те, що 45 сталь є надміцною, вона також залишається відносно пластичною і піддається фрезеруванню, зварюванню, токарній обробці, але перед цим потребує додатково попередньої термообробки, щоб зменшити внутрішню напругу. Також 45 сталь є досить твердою: після процесу загартування вона стає стійкою до зношуваності, а це важливо для тих деталей, які піддаються тертю або частим ударам.
Характеристики:
- сталь 45 – важко зварювальна, відноситься до 3 групи зварюваності;
- сталь 45 не чутлива до утворення флокенів;
- не схильна до відпускної крихкості;
- кування проводиться при початковій температурі 1250°С;
- процес різання сталі 45 також непростий через низький показник прожарюваності;
- слабкі антикорозійні властивості.
Головні переваги сталі марки 45
- Доступність та розповсюдженість.. Цей вид сталі характеризується такими характеристиками, що роблять її популярним видом матеріалу для багатьох сфер, тож її можна знайти у більшості компаній з металопрокату.
- Універсальність. Зі сталі 45 марки виготовляють різні деталі: шестерні, вали, осі тощо.
- Довговічність. Сталь після термічної обробки гарно протистоїть зношуванню, стає достатнбо зносостійкою, тому її використовують при виробництві деталей для машин і механізмів з високим рівнем навантаження.
- Збереження форми. 45 сталь стійка до деформування навіть при умові високого навантаження.
Сфери застосування сталі 45
Виходячи з основних характеристик сталі, можна зробити висновок, що 45 марка використовується в різних сферах промисловості та виробництва. Основними є:
- Машинобудування. Вали, шестерні, осі, шпинделі – всі ці деталі виготовляють саме з цієї сталі завдяки її високій міцності та зносостійкості. Напевно, це одна з тих галузей, в якій цю марку сталі використовують найчастіше.
- Будівництво. В цій сфері дуже важливо мати деталі для конструкцій та механізмів, що витримують високі навантаження. Тож 45 марка сталі – це найбільш правильний вибір.
- Автомобілебудування. Тут актуальні та поширені деталі, що мають витримувати високі механічні навантаження: підвіски, колінвали, поршні – і це неповний перелік деталей, які виготовляють з цього виду сталі.
Термін служби та догляд
45 марка сталі є довговічною (у порівнянні з іншими марками сталі), але для того, щоб збільшити термін служби важливо деталі протягом використання обробляти антикорозійними засобами. Це актуально для тих деталей, які використовуються в агресивному середовищі та при високій вологості.
В яких випадках варто вибирати 45 марку сталі?
- Врахування умов експлуатації. Якщо вам необхідні деталі, що будуть працювати при великому навантаженні, варто зупинитись саме на 45 марці сталі.
- Термообробка. Цей процес необхідний у випадках, коли інструменти та механізми працюють у динамічних умовах – без термообробки сталь може втратити частину своїх властивостей.
- Захист від корозії. 45 сталь схильна до корозії, тому необхідно обробляти її спеціальними антикорозійними засобами.
Ми пропонуємо замовникам надійний матеріал, що має високі показники міцності. 45 марка сталі – універсальна та доступна і використовується в багатьох галузях.
В наявності для наших замовників є листи 45 сталі товщиною, мм.:2, 2,5, 3, 4, 5, 6, 8, 10, 12, 14, 16, 18, 20, 25, 28, 30, 32, 36, 40, 45, 50, 55, 60, 70, 80, 90, 100, 110, 120, 130, 140, 150, 160, 200
Розрізаємо під замовлення, здійснюємо плазмове, газове, лазерне різання металу. У нас ви можете замовити гнуття металу, послуги листогину, термічну обробку сталі.
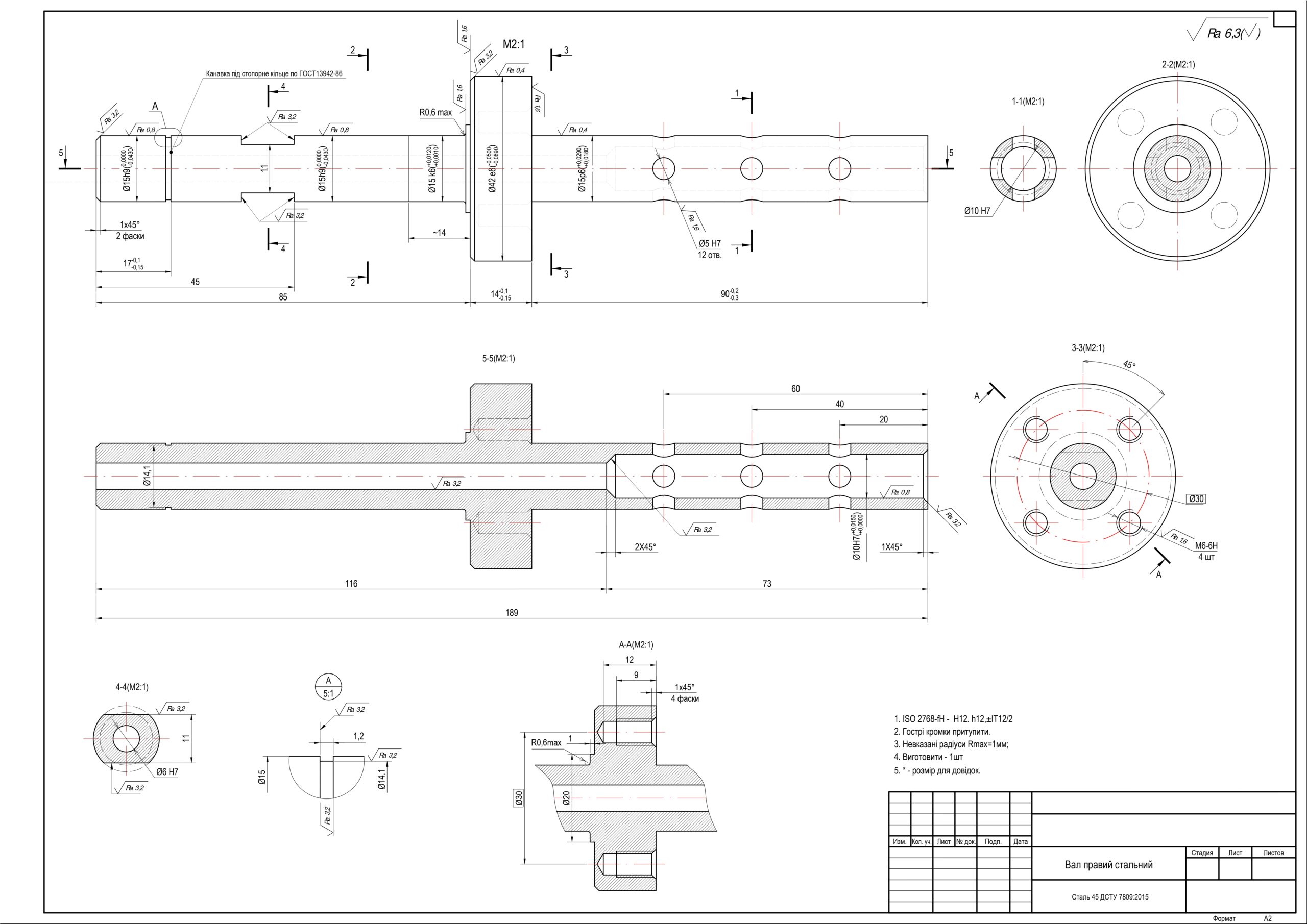
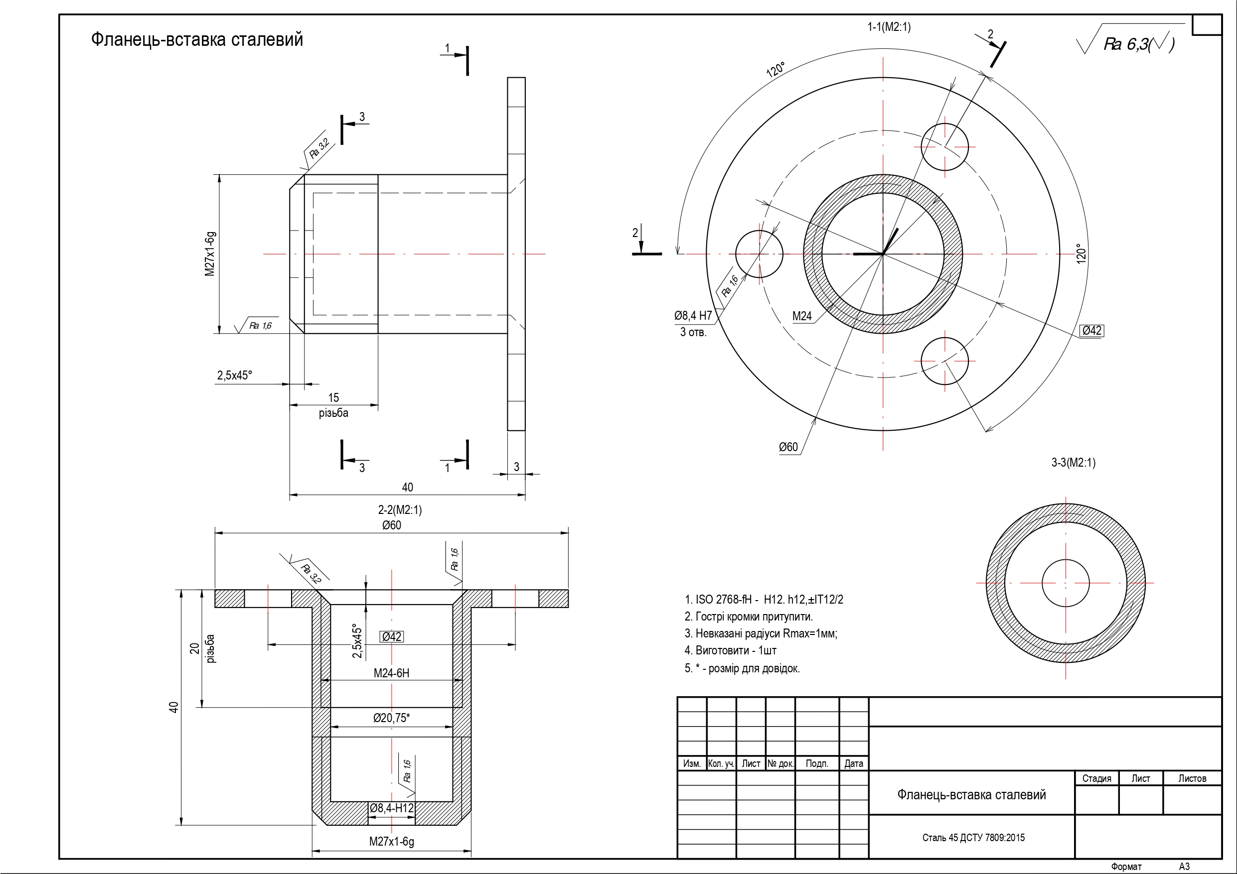
Схеми деталей зі сталі 45
Задайте питання або залиште коментар
і ми зв’яжемося з вами в найкоротші терміни
Пишіть, ми чекаємо